הורדות
מתאם אפליקציה למערכת אינטרקום IP SERVER
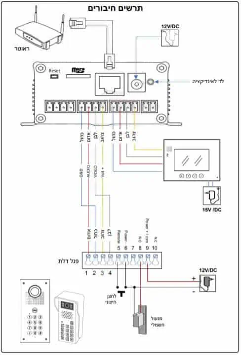
מתאם אפליקציה למערכת אינטרקום
מתאם אפליקציה למערכת אינטרקום פאל ווינטק KTV, מאפשר דיבור, צפייה ופתיחת דלת באמצעות אפליקציה מהסמארטפון, תומך SIP לחיבור במרכזיית IP, חיבור 4 גידים למוניטור ולפנל החיצוני (ניתו לחבר גם ללא מוניטור), ממשק Windows לדיבור, צפייה ופתיחת דלת מהמחשב בחיבור לרשת.
- אחריות: 24 חודשי אחריות בכפוף לאחריות יצרן
₪ 1,290
מק"ט
DK-103 IP SERVER
קטגוריות אינטרקום טלוויזיה KTV, רשת אינטרנט
תגיות IP SERVER, אינטרקום ווידאו, אינטרקום טלוויזיה, מתאם אפליקציה, פאל ווינטק, קורא קרבה
1
People watching this product now!
אפשרויות תשלום
תיאור
מתאם אפליקציה לאינטרקום טלוויזיה פאל ווינטק
- מתחבר למערכת KTV ולמוניטור (4 גידים) מאפשר חיבור גם ללא מוניטור(.
• מאפשר דיבור, צפייה ופתיחת דלת באמצעות אפליקציה מהסמארטפון.
• ממשק Windows לדיבור, צפייה ופתיחת דלת מהמחשב בחיבור לרשת.
• תומך SIP לחיבור במרכזיות IP לצלצול בטלפונים )וחיבור ישיר מסכי IP)
• מאפשר חיבור לאינטרנט באמצעות סטיק SIM דאטה )במקום ראווטר(.
מידע נוסף
| מה כלול? |
מתאם אפליקציה DK-103 IP SERVER |
|---|---|
| דגם |
DK-103 |
| יצרן |
פאל ווינטק |
| למי מתאים |
אינטרקום טלוויזיה KTV |
| מספר מכשירים |
עד 8 מכשירי סמארטפון |
| העברת שיחות ווידאו |
כן |
| כתובת IP |
נדרשת כתובת IP קבועה |
| חיבורים |
מוניטור / פנל חיצוני / רשת |
| ממשק |
ממשק Windows לדיבור, צפייה ופתיחת דלת מהמחשב בחיבור לרשת. |
| פנל KTV |
מתחבר לכל הפנלים מסדרת KTV |
| מסכים |
מתחבר לכל המסכים מסדרת KTV |
| חיבור רשת חיצונית |
נדרשת כתובת IP קבועה או חיבור DNS לצפייה מחוץ לרשת הפנימית |
הורדות
משלוחים
משלוחים
המשלוחים באתר החנות "סקיור-גרופ" מבוצעים באמצעות חברת שילוח עם שליח המגיע עד לבית הלקוח או על ידי משלוח בדואר רשום/רגיל וזאת על פי שיקול דעת החנות ובהתאם ךאופן בחירת המשלוח בהזמנה.
בצד מחירי המוצר מופיע עלות משלוח בנפרד.
עלות משלוח דואר רשום הינה 15 ש"ח למשלוח, אלא אם צוין אחרת לצד המוצר.
זמן אספקת המוצרים הינו 7 ימי עסקים למין השלמת העסקה (העברת תשלום בגין המוצר), אלא אם צוין אחרת ע"י החנות.
החנות (להלן: הנהלת האתר) שומרת לעצמה את הזכות לביצוע משלוחים בדואר ישראל בהתאם להחלטתה, לגודל המשלוח ולמיקום המשלוח בארץ.
במידה ולקוח מעוניין במשלוח מסוג אחר, יציין זאת אל מול החנות, והחנות רשאית לגבות מחיר מלא עבור המשלוח המבוקש.
החנות (להלן: הנהלת האתר) שומרת לעצמה את הזכות לביצוע משלוחים בדואר ישראל בהתאם להחלטתה, לגודל המשלוח ולמיקום המשלוח בארץ.
במידה ולקוח מעוניין במשלוח מסוג אחר, יציין זאת אל מול החנות, והחנות רשאית לגבות מחיר מלא עבור המשלוח המבוקש.
קיימת אפשרות לאיסוף עצמי בתיאום מראש בלבד ובאישור החנות.
הנהלת החנות מדגישה כי איסוף עצמי והגעה למקום החנות הוא באישור ותיאום מראש בלבד!
זמן המשלוח בדואר ישראל תלוי בחברת דואר ישראל ויתכנו מקרים של איחורים במשלוחים שלא באחריות סקיור גרופ. אנו נעשה את כל המאמץ שמשלוחים בדואר ישראל יגיע בזמן הראוי.
ביטולים והחזרות
מדיניות החזרות וביטולים
כמו בכל עסק, ביטול עסקה אפשרי בהחלט בתוך 14 ימי עסקים מיום ביצוע העסקה.
לקוח רשאי לבטל עסקה ולקבל החזר מלא בכפוף לחוק רק במידה והמשלוח לא נשלח במידה וידרוש זאת.
במידה והמשלוח יצא לדרכו ללקוח, רשאי הלקוח לבטל עסקה במידה ויחזיר את המשלוח שלם, ארוז באריזתו המקורית ושלא נעשה בו שום שימוש.
במידה והלקוח ביטל עסקה והחזיר את המוצר בשלמותו, זכאית החנות לחייב הלקוח בעלות משלוח מלאה בהתאם לסוג המשלוח שבוצע (באיסוף עצמי אין חיוב עלות משלוח) ואף בעלות דמי ביטול כקבוע בחוק ועל פי שיקול דעתה הבלעדי
מוצרים קשורים
נצפו לאחרונה
מה אומרים עלינו
שרון טובי
מקצוענים ואדיבים, הכתובת האחת והיחידה שלי בתחום הזה.
Eytan Seger
מאוד מומלץ.
גל.פ
שירות מצויין, קניתי 2 מערכות אזעקה של חברת ויסוניק.
הבחור תיכנת לי את המערכת לפי טופס שהגדרתי לו, נתן תמיכה מלאה בזמן ההתקנה וחסך לי לא מעט כסף בתשלום למתקינים. תודה !
ד.קרביץ
לורם איפסום דולור סיט אמט, קונסקטורר אדיפיסינג אלית לורם איפסום דולור סיט אמט, קונסקטורר אדיפיסינג אלית. סת אלמנקום ניסי נומץ.
Eitan Anati
החנות משרה מקצועיות, שירותיות ואנושיות.
מאוד מומלץ.
א.סנדרוסי
מחיר הכי זול שמצאתי ובנוסף על זה שירות לקוחות שיש רק בסרטים מהרגע הראשון מחפשים איך לעזור ללקוח במקרה שלי נראה לי שהם יצאו מופסדים מכל מה שקיבלתי רכשתי מהחנות קיט מצלמות פרוויז׳ן וקיט אזעקה ויסוניק חוויה קניה חיובית ביותר!
Adi Mazan
אשתף בחוויה מתקנת שהייתה לי אחרי שחוויתי גם אדישות במקומות אחרים. ראשית, קניתי כאן במחיר הכי טוב שמצאתי מצלמת דרך לרכב. כעבור מספר חודשים הפסיקה לעבוד, קורה... שלחתי אותה לתיקון וקיבלתי במקומה בלי שביקשתי מצלמה מדגם מתקדם יותר. אבל הדבר היותר חשוב הוא שהרגשתי שיש מי שמקשיב ומבקש שאערב אותו בכל דבר ועניין שקשור לבעיה, וזה היה מרומם נפש. תודה רבה



